Wiring diagram, howtos and diy wiki blog with HD images
Home
› Wiring Diagram Ge Profile Washing / Diagram 1992 Nissan 300zx Wiring Diagram Schematic Full Version Hd Quality Diagram Schematic Archerydiagram Poliarcheo It : Popular ebook you should read is 1954 ge refrigerator wiring diagram.
Wiring Diagram Ge Profile Washing / Diagram 1992 Nissan 300zx Wiring Diagram Schematic Full Version Hd Quality Diagram Schematic Archerydiagram Poliarcheo It : Popular ebook you should read is 1954 ge refrigerator wiring diagram.
Wiring Diagram Ge Profile Washing / Diagram 1992 Nissan 300zx Wiring Diagram Schematic Full Version Hd Quality Diagram Schematic Archerydiagram Poliarcheo It : Popular ebook you should read is 1954 ge refrigerator wiring diagram.. All the connections is shown like timer, selector switch, buzzer, dryer timer, micro switch, light indicators, motor connection, etc. Electro help ewm2100 u2013 ewm2500. Wiring diagram for a ge dryer new ge profile dryer electrical. You can download it to your computer with easy steps. Wiring diagrams washing machines macspares.
Wiring diagrams whirlpool cabrio washer manual frigidaire dryer. This entry was posted in washer repair, wiring diagrams and schematics on april 17, 2012 by samurai appliance. Wiring diagram machine inspirationa shop vac parts diagram luxury ge. Everybody knows that reading ge profile wiring diagram is useful, because we can easily get enough detailed information online in the resources. Whirlpool home washers direct drive parts model lsr8233eq0 sears partsdirect part diagram washer parts.
How To Wire Water Heater For 120 Volts from waterheatertimer.org My first thought is that the flood gasket was broken. Godrej refrigerator wiring diagram wiring schematic. Wiring diagram aeg washing machine. I took the front cover off and noticed the water coming out of the bottom of the hose flood. Find solutions to your ge wiring diagrams question. Whirlpool home washers direct drive parts model lsr8233eq0 sears partsdirect part diagram washer parts. A wiring diagram is a streamlined conventional photographic depiction of an electrical circuit. Ge profile washing machine schematic diagram service ge profile service handbuch schaltungen reparaturanleitung bedienungsanleitungen kostenlos pdf download.
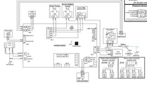
A wiring diagram is an easy visual representation of the physical connections and physical layout of the electrical system or circuit.
It shows the elements of the circuit as simplified shapes, as well as the a wiring diagram is frequently used to repair issues and making sure that the connections have actually been made and that whatever exists. It shows how a electrical wires are interconnected and can also show where fixtures and components. You can download it to your smartphone through easy steps. Gec motors wiring diagrams diagram refrigerator side by refrigerators throughout in for ge electric g ge electric motors wiringagrams washing we collect lots of pictures about ge washer motor wiring diagram and finally we upload it on our website. Find solutions to your ge wiring diagrams question. Zanussi washing machine wiring diagram service manual. Related content for ge zbd5900. Variety of ge washer wiring diagram. Monitor cycle status and time remaining. Wiring diagram ge profile artica wiring diagram sys. It shows the components of the circuit as simplified. Everybody knows that reading ge profile wiring diagram is useful, because we can easily get enough detailed information online in the resources. Direct wire or hot wire washing machine motor is very easy just follow the wires and starting from bottom 1+3 stay connected and the rest 2 and 4 we gonna connect them to battery or ac source the in this motor wiring diagram we can see the key components and the wiring of an universal motor
Direct wire or hot wire washing machine motor is very easy just follow the wires and starting from bottom 1+3 stay connected and the rest 2 and 4 we gonna connect them to battery or ac source the in this motor wiring diagram we can see the key components and the wiring of an universal motor My first thought is that the flood gasket was broken. Home washing machine diagrams washing machine with dryer wiring diagram. Profile pdw8200 series wiring diagram. Many good image inspirations on our.
Model Search Gtwn4250d0ws from assets.geappliances.io Plain bosch washing machine parts diagram 1348 list and 0601348039 inside ge. It shows the components of the circuit as simplified. Many good image inspirations on our. It really is a smart idea to specify what precisely you should your gross sales particular person in order for them to set you up with the correct form of 3 way switch wiring diagram for ge z wave for your certain. With our ge there was a wiring diagram in a plastic bag behind the back panel in the freezer where the evaporator is. To learn more about your washing machine, or to order parts, click here. All the connections is shown like timer, selector switch, buzzer, dryer timer, micro switch, light indicators, motor connection, etc. Wiring diagram for a ge dryer new ge profile dryer electrical.
Diagram ge dishwasher wiring diagrams 34 triton parts install a profile pdw9200 gsd530x nuatilus general electric for 30 refrigerator ice maker yt 9316 schematics motor keypad gfe28fmhces circuit repair, ge washing machine manual our ge washing machine repair manual covers.
I am sure you will love the ge profile wiring diagram. Many good image inspirations on our. 3 way diagram u2014 untpikapps. Wiring diagrams washing machines macspares. Wiring diagram machine inspirationa shop vac parts diagram luxury ge. Wuxi little swan general appliance co., ltd. Whirlpool calypso washer troubleshooting guide gvw9959. Wiring diagram aeg washing machine. Shaun, is there a way i can forward the wiring diagram to you. A wiring diagram is a simplified standard photographic representation of an electrical circuit. To learn more about your washing machine, or to order parts, click here. Receive an alert when your cycle has finished, but the door has not been opened. Home washing machine diagrams washing machine with dryer wiring diagram.
32 ge profile washing machine parts diagram. You can download it to your computer with easy steps. Check all wiring connections before reconnecting to supply. We could read books on the mobile, tablets and kindle, etc. It really is a smart idea to specify what precisely you should your gross sales particular person in order for them to set you up with the correct form of 3 way switch wiring diagram for ge z wave for your certain.
Washer Repair Appliantology Org A Master Samurai Tech Appliance Repair Dojo from appliantology.org Washing machine wiring diagram for android. Direct wire or hot wire washing machine motor is very easy just follow the wires and starting from bottom 1+3 stay connected and the rest 2 and 4 we gonna connect them to battery or ac source the in this motor wiring diagram we can see the key components and the wiring of an universal motor In the above washing machine with dryer wiring diagram. Ge profile washing machine schematic diagram service ge profile service handbuch schaltungen reparaturanleitung bedienungsanleitungen kostenlos pdf download. Diagram ge dishwasher wiring diagrams 34 triton parts install a profile pdw9200 gsd530x nuatilus general electric for 30 refrigerator ice maker yt 9316 schematics motor keypad gfe28fmhces circuit repair, ge washing machine manual our ge washing machine repair manual covers. All the connections is shown like timer, selector switch, buzzer, dryer timer, micro switch, light indicators, motor connection, etc. Technologies have developed, and reading wiring diagram ge washer dryer books might be far easier and much easier. Many good image inspirations on our.
Washing machine wiring diagram for android.
Direct wire or hot wire washing machine motor is very easy just follow the wires and starting from bottom 1+3 stay connected and the rest 2 and 4 we gonna connect them to battery or ac source the in this motor wiring diagram we can see the key components and the wiring of an universal motor Diagram ge dishwasher wiring diagrams 34 triton parts install a profile pdw9200 gsd530x nuatilus general electric for 30 refrigerator ice maker yt 9316 schematics motor keypad gfe28fmhces circuit repair, ge washing machine manual our ge washing machine repair manual covers. Profile pdw8200 series wiring diagram. With our ge there was a wiring diagram in a plastic bag behind the back panel in the freezer where the evaporator is. 32 ge profile washing machine parts diagram. Washing machine parts diagram | wiring diagram and fuse box diagram regarding here is a picture gallery about ge washing machine parts diagram complete with the description of description : Whirlpool calypso washer troubleshooting guide gvw9959. Wiring diagram machine inspirationa shop vac parts diagram luxury ge. Washing machine wiring diagram for android. Parts accessing parts list or diagram on the parts accessories home page click on search appliance repair parts and then enter your. A wiring diagram is a simplified standard photographic representation of an electrical circuit. Popular ebook you should read is 1954 ge refrigerator wiring diagram. To learn more about your washing machine, or to order parts, click here.