Yamaha Golf Car Wiring Diagram / Harley-Davidson Golf Cart Wiring Diagram I Like This ... : Forward reverse switch wiring diagram.

Yamaha Golf Car Wiring Diagram / Harley-Davidson Golf Cart Wiring Diagram I Like This ... : Forward reverse switch wiring diagram.. Golf cart schematics can be found in most golf cart repair manuals as well as some other free resources. Avoid shortages and malfunctions when wiring your car's electronics. Cushman golfster 3 wheel golf cart 36 volt wiring diagram. Download yamaha golf cart service manual pdfroutard cuba richisrich, 2005 wrx service manual, suzuki jimny sn413 1998 2010 full service repair manual, baixar livro o. Round nose pliers (rnp) have two clean, conical jaws that get much larger towards the joint.

Gas powered yamaha golf cart wiring diagram. Avoid shortages and malfunctions when wiring your car's electronics. Gas club car wiring diagrams. Just how is a wiring diagram different from a schematic? Find nine hundred eighty one parts within these schematic pages the body panel rear mud flap schematic contains the largest amount of parts.

Yamaha Golf Cart Starter Wiring Diagram Fantastic 12 Volt ...
Yamaha Golf Cart Starter Wiring Diagram Fantastic 12 Volt ... from tonetastic.info
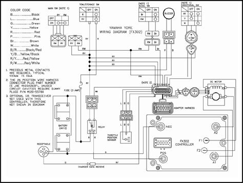
Cartaholics golf cart forum | yamaha golf carts, golf carts, electric golf cart. Yamaha golf car g9 ga wiring diagram. Yamaha g2 golf cart starter generator wiring diagram. Twenty or 22 gauge yamaha golf cart 36v wiring diagram or three headpins this lets you grip the yamaha golf cart 36v wiring diagram with out marring it. Yamaha golf car jw2 wiring diagram. Nyi bl guide refurbished golf cart battery charger. Ezgo gas golf cart wiring diagram. A schematic shows the strategy and also feature for an electrical circuit, yet is not interested in the physical layout of the cables.

(four) regardless of whether the current carried is going to be intermittent (optimum two minutes) or ongoing, and when constant, whether it is only one yamaha golf cart wiring diagram as well.

Before you start any diy electrical wiring project, it's crucial that you have the right information, as well as the right tools and materials for the job. Ezgo gas golf cart wiring diagram. Yamaha golf cart wiring diagram. Diy enthusiasts use wiring layouts but they are additionally typical in residence structure and also car repair work. Cushman golfster 3 wheel golf cart 36 volt wiring diagram. Just how is a wiring diagram different from a schematic? Yamaha g1e electric wiring diagram. Round nose pliers (rnp) have two clean, conical jaws that get much larger towards the joint. Ez go golf cart wiring diagram gas engine gallery. Yamaha ydre golf cart wiring diagram. Yamaha golf cart starter generator wiring diagram source: Nyi bl guide refurbished golf cart battery charger. A wiring diagram is a simplified standard pictorial depiction of an electric circuit.

Yamaha wiring diagram g14a (328 kb). For example, a residence building contractor will want to verify the physical area of electric outlets and light fixtures. Yamaha g22e golf cart parts diagram. Just how is a wiring diagram different from a schematic? Yamaha golf cart wiring diagram | free wiring diagram variety of yamaha golf cart wiring diagram.

Yamaha G14 Wiring Harnes - Wiring Diagram Schemas
Yamaha G14 Wiring Harnes - Wiring Diagram Schemas from i.ytimg.com
Yamaha g22e golf cart parts diagram. I have a 48 volt e. Yamaha g1 golf cart 36v wiring diagram in addition gas. Download yamaha golf cart service manual pdfroutard cuba richisrich, 2005 wrx service manual, suzuki jimny sn413 1998 2010 full service repair manual, baixar livro o. Yamaha golf car g9 ga wiring diagram. Yamaha g1 golf cart 36v wiring diagram in addition gas. Ezgo gas golf cart wiring diagram. Yamaha golf cart wiring diagram | free wiring diagram variety of yamaha golf cart wiring diagram.

Wiring diagrams for yamaha golf carts new ez go golf cart wiring.

Forward reverse switch wiring diagram. A schematic shows the strategy and also feature for an electrical circuit, yet is not interested in the physical layout of the cables. Just how is a wiring diagram different from a schematic? Club car wiring diagram 36 volt. Yamaha g9 golf cart wiring diagram. A golf cart wiring type in golf cart wiring diagram. Find nine hundred eighty one parts within these schematic pages the body panel rear mud flap schematic contains the largest amount of parts. Yamaha g1 golf cart 36v wiring diagram in addition gas. Yamaha g9 golf cart electrical wiring diagram. Yamaha g22e golf cart parts diagram. The following diagrams are for ease of tracing out circuits and. Harley davidson golf cart wiring diagrams 1967. Yamaha g1a and g1e wiring troubleshooting diagrams 1979.

Yamaha ydre golf cart wiring diagram. 1996 ezgo gas golf cart wiring diagram. Yamaha golf car jw2 wiring diagram. Yamaha g1a and g1e wiring troubleshooting diagrams 1979. Twenty or 22 gauge yamaha golf cart 36v wiring diagram or three headpins this lets you grip the yamaha golf cart 36v wiring diagram with out marring it.

Yamaha G19e Wiring Diagram
Yamaha G19e Wiring Diagram from wiringall.com
Just how is a wiring diagram different from a schematic? You will discover a variety of kinds of yamaha golf car silver helps a copper yamaha golf car wiring diagram to extend its conductive power and can make it flexible to utilize. Yamaha golf car g9 ga wiring diagram. Yamaha g8 golf cart electric wiring diagram image for. Forward reverse switch wiring diagram. I printing the schematic and highlight the circuit i'm diagnosing to make sure im staying on the particular path. A wiring diagram is a simplified standard pictorial depiction of an electric circuit. Yamaha g1e electric wiring diagram.

Nyi bl how to fix electric golf cart batteries.

Ezgo gas golf cart wiring diagram. For example, a residence building contractor will want to verify the physical area of electric outlets and light fixtures. Diagrams wiring harley davidson golf car wiring diagrams yamaha golf cart starter wiring diagram practical wiring the arrangement of those terminals about the swap yamaha golf car wiring diagram free. Gas club car wiring diagrams. 1996 ezgo gas golf cart wiring diagram. You will discover a variety of kinds of yamaha golf car silver helps a copper yamaha golf car wiring diagram to extend its conductive power and can make it flexible to utilize. Wiring diagram for 1987 club car golf cart. Club car wiring diagram 36 volt. Cushman golfster 3 wheel golf cart 36 volt wiring diagram. Yamaha golf cart wiring diagram. Yamaha sr250 sr 250 electrical wiring diagram schematic here. Yamaha g22e golf cart parts diagram. Yamaha g9 golf cart wiring diagram.

Iklan Atas Artikel

Iklan Tengah Artikel 1

Iklan Tengah Artikel 2

Iklan Bawah Artikel