Audio Amplifier Circuit Diagram With Layout Pdf : 2sc5200 2sa1943 Amplifier Circuit Diagram - Circuit Diagram Images in 2020 | Circuit diagram ... - (see schematic diagram in section 9.11 at the end of this exercise).

Audio Amplifier Circuit Diagram With Layout Pdf : 2sc5200 2sa1943 Amplifier Circuit Diagram - Circuit Diagram Images in 2020 | Circuit diagram ... - (see schematic diagram in section 9.11 at the end of this exercise).. Switch mode (smps), regulated, and unregulated power supplies. 3 hifi audio circuit design 3.1 dac circuit design the dac is the source of the analog audio signal chain, and the dac is the performance bottleneck in the chain because the thd+n performance of the best dac in the world is 10 + db worse than the best amplifier. Ttc5200 is npn transistor and tta1943 is pnp transistor. Power supply designs that operate from the power mains are of three common types: We've provided at least one recommended op amp for each circuit, but you can swap it with another device if you've found one that's a better fit for your design.

Amplifier circuits introduction to impedance and bandwidth control. Using 3 ics in a bridge model. Class a amplifier design introduction to amplifier design basic design process. Tda2030 power amplifier complete tone control electronic circuit. So here we can use 70 voltage maximum.

Distortion in power amplifiers, Part VII: frequency compensation and real designs | EDN
Distortion in power amplifiers, Part VII: frequency compensation and real designs | EDN from m.eet.com
We know that voltage x amperes = watts. (see schematic diagram in section 9.11 at the end of this exercise). The linear circuit which forms the heart of the operational amplifier is a fairly complicated device consisting of many (30 or more) active and passive devices integrated into silicon. Tda2030 power amplifier complete tone control electronic circuit. Tda2030 bridge amplifier circuit diagram with pcb 35w rms. 3 hifi audio circuit design 3.1 dac circuit design the dac is the source of the analog audio signal chain, and the dac is the performance bottleneck in the chain because the thd+n performance of the best dac in the world is 10 + db worse than the best amplifier. Power supply designs that operate from the power mains are of three common types: Before you begin, you'll want to get an idea of how much output power you want from the amplifier.you'll also need to know the impedance of your speakers and the input voltage of your audio source.

Using 3 ics in a bridge model.

Amplifier circuits introduction to impedance and bandwidth control. Class d audio amplifier design • class d amplifier introduction • gate driver • mosfet • package • design example theory of class d operation, topology comparison how to drive the gate, key parameters in gate drive stage how to choose, tradeoff relationships, loss calculation importance of layout and package, new packaging technology. It is called a common emitter amplifier since the emitter is common to both the input circuti and the output circuit. Switch mode (smps), regulated, and unregulated power supplies. Because it's easy to build and this ic always popular. Modified response curves previous modules have concentrated on producing a flat frequency response over the required audio frequency range. Circuit diagram of the lm386 based audio amplifier is shown in fig. Ttc5200 is npn transistor and tta1943 is pnp transistor. 3 hifi audio circuit design 3.1 dac circuit design the dac is the source of the analog audio signal chain, and the dac is the performance bottleneck in the chain because the thd+n performance of the best dac in the world is 10 + db worse than the best amplifier. 2w+2w stereo using 3 lm386 here is an lm386 stereo audio amplifier circuit, 2 watts. Such a complex device requires a team of experienced engineers many months to design! We've provided at least one recommended op amp for each circuit, but you can swap it with another device if you've found one that's a better fit for your design. (see schematic diagram in section 9.11 at the end of this exercise).

Circuits reproduction of phonograph rec and tape recordings amplifier construction. Stereo amplifier circuit diagram we are going to design here is basically the combination of two mono audio amplifier. Soldering and hardwiring can and should be done outside lab. 7.2.1 single sided boards the single sided pcbs are mostly used in entertainment electronics where manufacturing costs have to be kept at a minimum. Lm386 audio amplifier circuit with pcb it was my first mini audio amplifier.

All Audio Amplifier Circuit Pdf - Circuit Diagram Images
All Audio Amplifier Circuit Pdf - Circuit Diagram Images from lh5.googleusercontent.com
Using 3 ics in a bridge model. 7.2.1 single sided boards the single sided pcbs are mostly used in entertainment electronics where manufacturing costs have to be kept at a minimum. Layout pcb power amplifier tda2030. Tube data chart circuit diagrams and parts lists: Amplifier circuits introduction to impedance and bandwidth control. The pwm ic will provide the signals to the comparator and processing the audio signals on the output stage. 2w+2w stereo using 3 lm386 here is an lm386 stereo audio amplifier circuit, 2 watts. Class a amplifier design introduction to amplifier design basic design process.

It is sometimes necessary however, to modify the flat response of an audio amplifier by making particular stages of the amplifier frequency

(see schematic diagram in section 9.11 at the end of this exercise). 3 hifi audio circuit design 3.1 dac circuit design the dac is the source of the analog audio signal chain, and the dac is the performance bottleneck in the chain because the thd+n performance of the best dac in the world is 10 + db worse than the best amplifier. Because it's easy to build and this ic always popular. Power supply designs that operate from the power mains are of three common types: Layout pcb power amplifier tda2030. Before you begin, you'll want to get an idea of how much output power you want from the amplifier.you'll also need to know the impedance of your speakers and the input voltage of your audio source. 1000 watts amplifier circuit diagram pdf, here in this circuit is 1000 watts. Class a amplifier design introduction to amplifier design basic design process. Tube data chart circuit diagrams and parts lists: The linear circuit which forms the heart of the operational amplifier is a fairly complicated device consisting of many (30 or more) active and passive devices integrated into silicon. Circuits reproduction of phonograph rec and tape recordings amplifier construction. 5.6 ohms, 10 watts ri: Class d audio amplifier design • class d amplifier introduction • gate driver • mosfet • package • design example theory of class d operation, topology comparison how to drive the gate, key parameters in gate drive stage how to choose, tradeoff relationships, loss calculation importance of layout and package, new packaging technology.

Portable and good audio amplifier is still a major concern to many electronic hobbyists and professional. You also check 200 watts audio amplifier circuit. Peter blomley's new approach to class b amplifier design. 2.0.1 shows a class a common emitter amplifier, but without its component values. Amplifier circuits introduction to impedance and bandwidth control.

Your opinions are sought on Audio Power Amplifier Design: 6th Edition. Douglas Self - Page 14 ...
Your opinions are sought on Audio Power Amplifier Design: 6th Edition. Douglas Self - Page 14 ... from douglas-self.com
Such a complex device requires a team of experienced engineers many months to design! Tda2030 comp 700x421 power amplifier circuits automotive auto. (see schematic diagram in section 9.11 at the end of this exercise). Ttc5200 is npn transistor and tta1943 is pnp transistor. 3 hifi audio circuit design 3.1 dac circuit design the dac is the source of the analog audio signal chain, and the dac is the performance bottleneck in the chain because the thd+n performance of the best dac in the world is 10 + db worse than the best amplifier. Before you begin, you'll want to get an idea of how much output power you want from the amplifier.you'll also need to know the impedance of your speakers and the input voltage of your audio source. The linear circuit which forms the heart of the operational amplifier is a fairly complicated device consisting of many (30 or more) active and passive devices integrated into silicon. Using 3 ics in a bridge model.

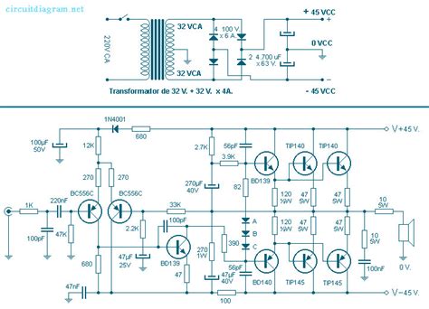
In this circuit, we can use 10 transistors.

In this tutorial, i'll go step by step through the amplifier design process as i build a 40 watt stereo amplifier using the lm3886. So here we can use 70 voltage maximum. In this circuit, we can use 10 transistors. Tda2030 power amplifier complete tone control electronic circuit. The detailed circuit diagram is very important for the layout designer but he must also be familiar with the design concept and with the philosophy behind the equipment. Stereo amplifier circuit diagram we are going to design here is basically the combination of two mono audio amplifier. Nowadays all types of electronics that 12v dc tda2030a pcb layout teknologi desain. 2.0.1 shows a class a common emitter amplifier, but without its component values. The article includes circuit diagram and circuit board design. Lm386 audio amplifier circuit with pcb it was my first mini audio amplifier. We know that voltage x amperes = watts. Tda2030 comp 700x421 power amplifier circuits automotive auto.

Iklan Atas Artikel

Iklan Tengah Artikel 1

Iklan Tengah Artikel 2

Iklan Bawah Artikel